Inloggen

D7033 F1 vlh rozettenpaar afgerond kerntrek pc/pc (dd 35-44mm), Rombus, SKG***®

5370330100_1.jpeg
5370330100_5.jpeg
5370330100_6.jpeg
Logo_1 Logo_2 Logo_3

Beschrijving

Serie Rombus (met en zonder kerntrek)
De Dieckmann serie Rombus heeft qua vorm ook veiligheidsrozetten van massief aluminium volgens de DIN 18257, NEN 5089 met keurmerk SKG***®. Buitenzijde met of zonder cilinder-kerntrekbeveiliging, binnenzijde met pc-sparing en zichtbare bevestiging met 2x M6 bouten.

Specificaties

Artikelnummer
5370330100
Serie
Rombus
Model
D7033
Merk deurbeslag
Dieckmann
Kleur code
F01
Kleur
zilverkleurig
Specials
PC
Vorm
afgerond
Uitvoering
vh-rozetten paar
Materiaal
aluminium
Bewerking
geanodiseerd
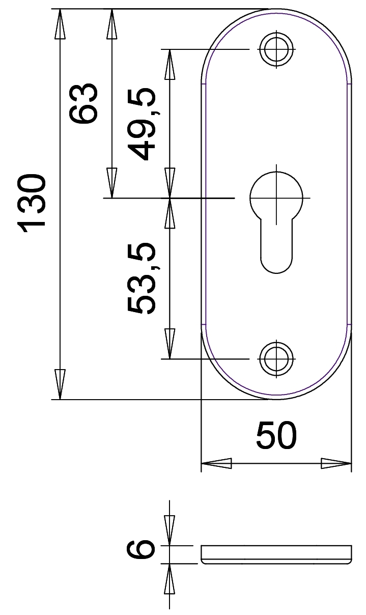
Schildbreedte
50 mm
Kerntrekbeveiliging
Ja
Keurmerk
SKG***®
Bouten
M6 x 50 mm
Materiaal bouten
roestvast staal
PC-gat buiten
Ja
PC-gat binnen
Ja